Guten Morgen,
zum Thema Zündspulen beim 308gt4 bin ich auf der Suche nach einer hilfreichen Antwort.
Meine Frage: braucht der 308 (Bj 75 dt. Fahrzeug mit 2 Verteiler) Zündspulen mit oder ohne Vorwiderstand?
Danke für eure Antworten
zündspulen bei 308gt4
-
haslwimmer
- Beiträge: 66
- Registriert: Do 5. Sep 2013, 07:50
- Dino: Ferrari Dino 308 GT4
Re: zündspulen bei 308gt4
Hallo Hermann,
ich habe zwar einen Wagen mit einem Verteiler, aber gerade das wunderschöne uso e manutenzione vor mir liegen: beide Versionen haben die selben Zündspulen mit Vorwiderständen, serienmäßig mit der Marelli BZR 201A und den darauf verschraubten Widerständen (siehe Manual mit Skizze des Zündsystems auf S. 82). Auch bei Wechsel auf Bosch-Spulen sind Vorwiderstände nötig.
Viele Grüße,
Tom
ich habe zwar einen Wagen mit einem Verteiler, aber gerade das wunderschöne uso e manutenzione vor mir liegen: beide Versionen haben die selben Zündspulen mit Vorwiderständen, serienmäßig mit der Marelli BZR 201A und den darauf verschraubten Widerständen (siehe Manual mit Skizze des Zündsystems auf S. 82). Auch bei Wechsel auf Bosch-Spulen sind Vorwiderstände nötig.
Viele Grüße,
Tom
Re: zündspulen bei 308gt4
Hallo Tom,
vielen Dank für deine Antwort.
Ich habe das auch gelesen, unabhängig davon wurde mir beim "Spezialisten" jedoch etwas anderes gesagt.
Da ich zumindest eine der Spulen tauschen muss, wird mir nichts anderes übrig bleiben als es selbst zu testen.
Viele Grüße
Hermann
vielen Dank für deine Antwort.
Ich habe das auch gelesen, unabhängig davon wurde mir beim "Spezialisten" jedoch etwas anderes gesagt.
Da ich zumindest eine der Spulen tauschen muss, wird mir nichts anderes übrig bleiben als es selbst zu testen.
Viele Grüße
Hermann
Re: zündspulen bei 308gt4
Hallo
Wenn Du Unterbrecher und Kontensator eingebaut hast ist die richtige Zündspule die Bosch mit Blauen Aufkleber und ohne Vorwiederstand.
Die ist auch etwas Leistungssteigernt.Natürlich beide Tauschen.
Oder die mit Roten Aufkleber und Vorwiederstand.Die mußt aber richtig anschliesen.Mit diesem Set hast eine höhere Spannung,aber nur beim Starten.
aber keine Leistungssteigerung.
Diese Zündspulen sind geeignet für Diene Zündanlage.
alles gute 308 GT
Wenn Du Unterbrecher und Kontensator eingebaut hast ist die richtige Zündspule die Bosch mit Blauen Aufkleber und ohne Vorwiederstand.
Die ist auch etwas Leistungssteigernt.Natürlich beide Tauschen.
Oder die mit Roten Aufkleber und Vorwiederstand.Die mußt aber richtig anschliesen.Mit diesem Set hast eine höhere Spannung,aber nur beim Starten.
aber keine Leistungssteigerung.
Diese Zündspulen sind geeignet für Diene Zündanlage.
alles gute 308 GT
- alh
- Beiträge: 332
- Registriert: Do 26. Mai 2011, 21:58
- Dino: Ferrari Dino 246 GT
- Wohnort: Berlin
- Kontaktdaten:
Re: zündspulen bei 308gt4
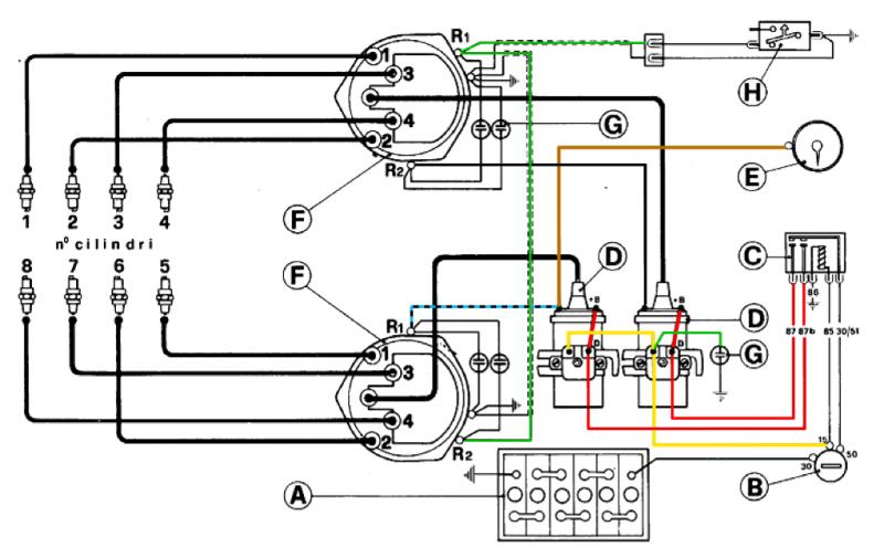
Später Kommentar, die blaue Zündspule hat eine niedrigere Ausgangsleistung und ist für Vierzylinder mit niedriger Kompression ausgelegt, für den GT4 ist sie nicht empfehlenswert.
Die rote Bosch Zündspule hat einen etwas längeren Zündfunken als die original Marelli Spulen, und ist die richtige Wahl für die GT4s mit klassischem Verteiler/Zündspulen Setup.
Die Überbrückung der Ballastwiderstände während des Startvorgangs kompensiert den Spannungsabfall der Batterie durch die Starterbelastung, was den Startvorgang deutlich erleichtert. Diese Schaltung wurde bei den Doppelverteiler GT4s für den Nordamerikanischen Markt eingeführt, anbei die Beschaltung mit den Original Kabelfarben. Die lässt sich problemlos nachrüsten.
Die rote Bosch Zündspule hat einen etwas längeren Zündfunken als die original Marelli Spulen, und ist die richtige Wahl für die GT4s mit klassischem Verteiler/Zündspulen Setup.
Die Überbrückung der Ballastwiderstände während des Startvorgangs kompensiert den Spannungsabfall der Batterie durch die Starterbelastung, was den Startvorgang deutlich erleichtert. Diese Schaltung wurde bei den Doppelverteiler GT4s für den Nordamerikanischen Markt eingeführt, anbei die Beschaltung mit den Original Kabelfarben. Die lässt sich problemlos nachrüsten.